|
Kursus i elektronik
Transistorer
En transistor er en komponent, kan udføre et simpelt stykke arbejde; de "producerer" strøm.
Og "produktionen" af strøm kan foregå på flere måder. Og dette på grund af alle de forskellige
transistorer man kan få. Herunder er vist i diagram-form, hvilke slags, der findes:
Der findes flere slags, men disse er de mest brugte.
Der findes en "positiv" og en "negativ" version af hver slags. Og hvad det går ud på,
og hvad det indebærer, kommer vi ind på for hver transistor-type. De har nemlig hver deres
måde at arbejde på, hvilket vi vil vise herunder for hver type. Dog vil vi ikke gennemgå
alle typer, da de alle ikke er lige interessante for modeltogfolk. Vi vil gennemgå
de tre første. Vi vil også for det meste bruge de engelske ord, da de er mest brugt her i
DK også - og så udtalemæssigt fordansket.
|
|
Udseendet af en transistor kan se ud som en af de følgende på billedet:
Det spiller ingen rolle, hvilken slags transistor det er .
|
|
Den bipolare transistor
Den bipolare transistor er den type transistor, der er mest populær. Den tegnes i et diagram
på følgende måde:
Vi viser flere symboler, da det er OK at tegne en transistor både med og uden cirkel. Desuden
er vist navnene på benene på transistoren:
- Base, forkortet B: Transistorens "indgang".
- Collector, forkortet C: Benet hvor "fødestrømmen" løber ind.
- Emitter, forkortet E: Benet, hvor den samlede strøm løber ud. Den med pilen på.
Ovenstående gælder for den type transistor, der hedder NPN, se de to diagrammer herover.
Som vist findes der også en PNP, og i en sådan løber strømmene den anden retning.
- Base [B] (PNP): Transistorens "indgang" (bibeholdes!).
- Collector [C] (PNP): Benet hvor "fødestrømmen" løber ud.
- Emitter [E] (PNP): Benet, hvor den samlede strøm løber ind. Den med pilen på.
Selv om strømmen i de to typer løber hver sin vej, så fungerer de på samme måde. Så i det
følgende koncentrerer vi os NPN-typen:
Den bipolare transistor virker på den måde, at den strøm, der bliver sendt ind i basen, den
kommer ud igen fra emitteren. Men den strøm er ikke "alene". Den er blandet sammen med
strømmen fra collectoren. Og transistoren gør det, at sender en strøm fra collector til emitter,
der er af en bestemt størrelse i forhold til base-strømmen. Det findes der en formel for:
I(emitter) = I(base) + hfe*I(base)
Strømmen, der så kommer ned igennem collectoren er af størrelsen:
I(collector) = hfe*I(base)
Værdien hfe - også kaldet β (beta) nogen steder - er en faktor, man får fra databladet over transistoren.
Denne værdi varierer meget fra type til type, så man skal have check på, hvor meget det betyder i ens konstruktion.
Og dette er den grundlæggende funktionsmåde for den bipolare transistor.
At der kun er tale om strømme, kan måske få nogen til at stille spørgsmål af forskellig art -
især med relation med reelle og praktiske elektronikkredsløb. Men det kommer . . . bare læs videre:
For det er ("bare") sådan, at den bipolare transistor er konstrueret. Og det er så op til os, brugeren, designeren,
ingeniøren, teknikeren, at få lært at bruge den. Og det er netop derfor, du læser denne side.
En ting mere, man skal vide, er, at der findes forskellige typer bipolare transistorer, lige som
der gør til dioder. Og de to vigtigste typer er:
|
Materiale | Spændingsfald base-emitter |
|
Germanium | 0,2 - 0,3 V
| |
Silicium | 0,6 - 0,7 V
|
Og ligesom med dioden, så er det silicium-typen, der er mest brugt.
Endnu en detalje til bør man vide om bipolare transistorer: Ud over, at der en million forskellige
slags, så kan der også findes en yderligere opdeling af typen, selv om den hedder "det samme".
En typisk og populær transistor er typen BC547. Den fås også i en A-, B- og C-version. Forskellen
ligger i faktoren β (beta):
|
Transistor | hfe (β) |
|
BC 547 | 125 - 900
| |
BC 547 A | 125 - 260
| |
BC 547 B | 240 - 500
| |
BC 547 C | 450 - 900
|
Til almindelig modeltogbrug er denne faktor ikke vigtig, men man bør vide dette, hvis man vil mere
end kun modeltog-elektronik.
Herunder er vist, hvordan transistorer ser ud i virkeligheden:
Dem med de lange ben bruges som regel til print-montage, og dem med de korte ben er som regel til
overflademontage. Dem med de korte ben tilhører en gruppe komponenter, man kalder SMD, som står for
"Surface Mounted Device". Mere om det senere.
De forskellige størrelser gør også, at de på hver sin måde har hver deres fordele og ulemper.
De små transistorer, også kaldet småsignaltransistorer, kan ikke tåle ret meget effekt,
og vi taler om op til 0,5 Watt.
Men de har høj forstærkning (hfe), og de er meget hurtige (går op i høje frekvenser, meget høje).
De mellemstore, som tit kaldes drivere, fordi de tit bruges i forbindelse med effekttransistorer,
kan klare op til omkring 1-2 Watt, og man kan sætte en køleplade på, så de kan klare lidt mere.
De er ikke alle så hurtige som de små transistorer (men der er undtagelser, som altid).
De store transistorer, som kaldes effekttransistorer, er dem, der kan klare høje strømme - og høje effekter.
De skal som regel også have påmonteret en køleplade. De er som regel de langsomste typer.
Lad os se, hvad der findes af transistorer, og hvad de har af værdier:
|
Type | hfe | Max. spænding Collecter-Emitter | Max. collectorstrøm | Max. effekt
|
|---|
|
BC 546 | 125 - 900 | 80 | 100 mA | 500 mW
| |
BC 547 | 125 - 900 | 50 | 100 mA | 500 mW
| |
BC 547 A | 125 - 260 | 50 | 100 mA | 500 mW
| |
BC 547 B | 240 - 500 | 50 | 100 mA | 500 mW
| |
BC 547 C | 450 - 900 | 50 | 100 mA | 500 mW
| |
BC 548 C | 450 - 900 | 30 | 100 mA | 500 mW
| |
BC 549 C | 450 - 900 | 30 | 100 mA | 500 mW
| |
BC 550 C | 450 - 900 | 45 | 100 mA | 500 mW
| |
PN2907 | 35 - 300 | -40 | -800 mA | 625 mW
| |
BD137 | 40 - 250 | 60 | 1,5 A | 1,25 W mere med køleplade
| |
2N3055 | 20 - 70 | 60 | 15 A | 115 W kun med køleplade
|
De ovenstående data er kun eksempler. Og selv om typen - uanset fabrikant - bør være det, der bestemmer, hvad og hovr meget den kan,
så er der desværre ingen garantier.
Så man bør altid lige checke med fabrikanten, hvordan deres data for transistoren ser ud - især
hvis man går ud til grænserne eller hvis man er afhængig af, at værdierne er korrekte for hele kredsløbets funktionalitet.
Der laves mange slags transistorer, fordi man har behov for forskellige egenskaber i de specifikke kredsløb. Her i vores verden
er der ikke de store krav (selv om der godt kan være et par stykker), men i f.eks. audio / hifi verdenen er der specifikke krav.
Og ét vigtigt krav er linearitet på f.eks. hfe, fordi man går op i forvrængning ( = ulinearitet!). Et andet er støj;
at transistoren ikke laver egenstøj (og jo, alle komponenter støjer). Transistorene BC549 og BC550 nævnt ovenfor i skemaet er
eksempler på transistorer med lav støj.
Der er en del flere at se nærmere på, hvis man vil det, på
Wikipedia.
En transistortype at være obs på:
Darlington-transistoren er en transistor, som egentlig indeholder to transistorer.
De indeholder en driver-transistor og en effek-ttransistor. Dette makkerskab skaber en enkelt
komponent, ellers ville fylde to komponenter (plads sparet!). Tilsammen får de en høj forstærkning,
så de ikke belaster det foregående elektronik særligt meget (= ikke nævneværdigt.) De kan fås
i alle størrelser.
OK så . . . strøm?
Ja, strøm. Den bipolare transistor er strømstyret, og resultatet er strøm. Men det behøver man ikke at
blive nervøs over. For den bipolare transistor er også meget tilgivende. Når man beregner sine
kredsløb, er der ikke altid grund til at få regnet transistorens strømme ud. Og det skyldes mest netop,
at basestrømmen som regel er meget lille i forhold til alle andre strømme i hele kredsløbet, at man
uden problemer kan se bort fra den. Husk på, at vi taler om en faktor på mindst 100 - og for det meste
meget mere. Så for at give det perspektiv: Du har løbet 100 km, så hvad betyder den sidste meter?
En anden "tilgivelses"-detalje er dens evne til alligevel finde balance i sig selv i et kredsløb,
selv om det ikke - strømmæssigt - burde kunne lade sig gøre. Følg med i følgende beregningseksempel:
Eksempel på et simpelt transistorkredsløb: Vi ønsker at få trukket et relæ, når et tog kører
over en fototransistor. Og alt det med elektronikken omkring fototransistoren,
det tager vi længere nede, når vi gennemgår fototransistoren. I denne del ser vi kun på selve den del,
hvor trækker selve relæet.
Og en god måde at gøre det på, er vist her:
Forsyningen Vcc er 12 volt. Og relæet er ét, der har en modstand på 455 Ω.
Vi vælger transistoren BC547C. Og det er jo den med størst forstærkning. Og den varierer imellem
450 og 900 . . . sårh . . . hvad gør vi så? Vi foretager lige en hurtig beregning:
hfe = 450: 12 V/455 Ω = 26 mA (= IC) =>
IB = 26 mA/450 => IB = 58 µA.
hfe = 900: 12 V/455 Ω = 26 mA (= IC) =>
IB = 26 mA/900 => IB = 29 µA.
Forskellen er en faktor 2, og det kunne vi også have sagt os selv, da 450 gange 2 er lig 900.
Så hvad betyder det i praksis? Lad os gå videre:
Vores "signal" på indgangen er et signal, der enten er lig nul Volt eller er lig 12 Volt.
Så når signalet er 12 volt, så er der 11,4 Volt hen over modstanden. Og med Ohms Lov kan vi nu
beregne modstanden:
11,4 V / 58 µA = 197 kΩ
11,4 V / 29 µA = 393 kΩ
Hvilken skal vi så vælge? Her bør vi lige standse op og se på, hvad vi har lært tidligere.
Vi lærte, at alle komponenter har tolerencer. Og det medfører jo, at vores beregninger måske
slet ikke kommer til at passe alligevel - med mindre vi først køber transistoren og måler den ud for
de værdier, vi har brug for, såsom hfe. Så allerede nu ligner det, at der skal mange
flere beregninger til . . . (suk) . . .
Men nej, sådan er det heldigvis ikke. Som nævnt er transistorer generøse, så de kan sagtens tåle,
at modstanden ikke lige passer helt med de strømme, som formlerne lægger op til. Man vælger den,
der er lavest - altså de 197 kΩ - og går et skridt videre ved at vælge en, der er endnu lavere,
f. eks. én på 100 kΩ (eller deromkring). Lige i dette kredsløb er jo "kun" tale om et
såkaldt "on-off"-kredsløb, så derfor er der ikke de store krav til nøjagtighed. Man kan endda
vælge en modstand på 10 kΩ. Hvor langt man kan gå ned, ved vi ikke, for det har vi ikke prøvet.
Og det er også ligegyldigt i praksis. Bare man husker ordsproget "alt med måde".
Desuden vil en lavere modstandsværdi give os mulighed for at bruge andre transistorer uden at
skulle til at skifte modstanden også (thumbs up) !!! Men man trækker så til gengæld mere strøm fra
signalgiveren. Og det skal man have i baghovedet, når man tester (hvilket man selvfølgelig altid
skal gøre, inden man færdiggør og monterer ud på banen (eller hvor det nu skal hen)).
At teste fortæller vi mere om i kredsløbsdelen, som kommer senere.
|
|
En BC548 transistor:
Flere - brugte - transer i div. huse:
Følgende billeder er eksempler på symbol versus rigtigt komponent. Men de gælder ikke for alle
transistorer, så man skal dobbeltchecke benforbindelserne, inden man monterer og tænder for strømmen:
Her et eksempel fra databladet på transistoren BC 549 og BC 550:
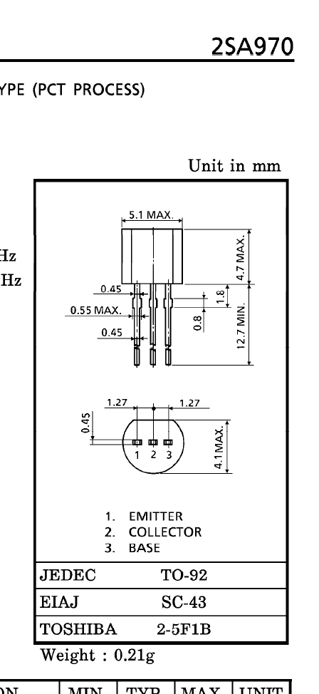
Her et eksempel fra databladet på transistoren 2SA970:
Så altså (!) : Altid have check på benene! Og man kan altid finde databladet til transistoren via google,
og man gør det, at man skriver transistorens navn ( eks. "BC548C") og så "pdf" i søgefeltet ( i to ord ;-)).
Hvis du ikke skriver "pdf", så får du et resultat, der indeholder en masse andre ting også, såsom
forretninger, beskrivelser og tabeller.
|
|
FET transistoren
FET-transistoren har også tre ben, og de hedder:
- Gate [G] : Transistorens "indgang".
- Drain [D]: Benet hvor "fødestrømmen" løber ind.
- Source [S] : Benet, hvor den samlede strøm løber ud.
De ser ud på samme måde som de bipolare transistorer.
FET-transistoren fås i to udgaver; en n-kanal og en p-kanal. Og ligesom for den bipolare transistor
foroven er det for at have muligheden for at kunne arbejde med strømme i begge retninger.
Også denne har en "modsat", hvor strømmene løber den anden vej
FET-transistoren er spændings-styret og giver strøm ud. Det vil sige, at imellem gate og source lægger
man en spænding, og dette vil resultere i en strøm fra Drain til Source (p-kanal).
Men OBS!: Spændingen skal være negativ - det vil sige, at spændingen på gate skal være lavere end den
på sourcen. Skal vi så lave en speciel strømforsyning til det?. Vi kan godt, men det er ikke nødvendigt.
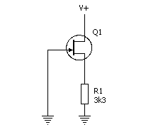
En modstand kan gøre det. Den skal placeres på Source og så til et fælles punkt, hvor Gaten også er
forbundet. Det er vist på billedet herunder:
Det er R1, vi taler om, og den er med til at bestemme, hvor stor strøm der vil løbe.
Men først en vigtig besked: Der er en maksimal strøm, som FET-transistoren kan generere. Den står i
databladet. Men ligesom for den bipolare transistor så findes der også variationer og afarter af den
samme type FET-transistor. De deles også op i -A, -B og -C -typer. Og hver af disse har sin maksimale strøm.
Hvis man ikke har databladet og kigge i, så kan man godt finde max-strømmen meget let:
Man tager FET-transistoren og kortslutter benene Gate og Source. Man tager så sit amperemeter (stilling
200 milliampere for en småsignal-FET-transistor) og sin strømforsyning og kobler de tre ting sammen i en
"ring". Man skruer op for spændingen til 10-12 volt og aflæser amperemetret: Du har nu den maksimale strøm,
FET-transistoren kan generere. Denne størrelse kaldes i datablade IDSS og er værd at have i baghovedet.
En anden feature er Gatens høje modstand. Gaten er spændingsstyret, og der løber praktisk talt ingen strøm
igennem den.
Til modeljernbanebrug er den særdeles velegnet som konstantstrøms-generator - især i forbindelse med
lysdioder. Der findes mange teknikker at lave konstant strøm, men med en FET-transistor er det både
simpelt og lidt bøvlet. Lysdioder skal strømfødes, og som regel bruger man en modstand, man nøjsommeligt
regner ud. Men hvis spændingen varierer (som det gør, når man kører analog), og man har lyset i sine
vogne, så vil lyset blive skruet op og ned for - i takt med togets hastighed. Ved digital er det ikke
(altid) et problem, da ens bane er strømfødet med sin Command Central eller en booster. Men en del af os
kører sammen med andre på moduler, hvor der er flere booster-sektioner, og her - hvis boosterne ikke er
indstillet til samme spænding - vil lyset også variere en smule ved passage til en ny booster-sektion.
Måske ikke meget, men . . .
Her vil konstantstrømsgeneratoren sørge for, at strømmen igennem dioderne er konstant - uafhængigt af
spændingen på skinnerne. Oger sådant kredsløb kan se således ud:
Simpelt nok rent komponentmæssigt og sammenkoblingsmæssigt.
Problemet her er beregningen af R, modstanden. om nævnt andetsteds er der store variationer på den strøm,
som FET-transistoren vil lave, så det kan ske, at man synes, at der er for lidt lys eller for meget
alligevel. Og så må man lige skifte til en modstand med enten lidt lavere eller højere værdi. Eller brug et
potentiometer (trimmer) til at finde værdien.
Der er ingen direkte formel for modstanden størrelse ved en ønsket strøm. Og det skyldes netop værdien IDSS
og dens store variation fra komponent til komponent.
|
|
Nævnt til venstre er, at der findes en n-kanal og en p-kanal. Man siger, at de er "komplementære".
Man kan så tro, at de er ens, når man køber "et par". Men det er ikke altid tilfældet. Desværre kan
FET-transistorer variere i deres "data" - altså hvis den ene laver 10 mA., så kan den anden godt
lave 15 mA., hvilket kan give problemer (ubalance) i visse kredsløb (især hvis man bygger audio-forstærkere).
|
|
MOSFET transistoren
* Tekst kommer senere *
|
|
|
|
Fototransistoren
En fototransistor er en transistor med en anderledes base. Basen er ikke det sædvanlige ben - næ, det er i stedet en lille plade, der opfanger lys.
Og jo mere lys, den registrerer, jo mere vil fototransistoren åbne (mere strøm fra collector til emitter). En fototransistor har mange
størrelser og former. Her er dens symbol og et par udseender:
|
|
Et lille testkredsløb:
|
DHTML Menu By Milonic JavaScript
|